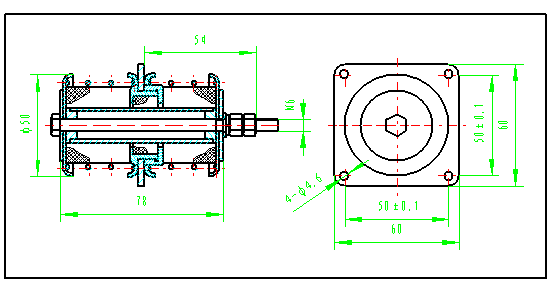
JZS金属网双作用减振器
概述: JZS金属网双作用减振器由金属安装板、两个金属弹簧、金属网垫、阻尼器等组成的弹性元件。 金属网垫、阻尼器起阻尼作用,两个金属弹簧起双向隔振作用。 应用范围: 广泛应用于无线电仪器、仪表的隔振、缓冲系统中。 技术性能: 型号规格 公称负荷(Kg) 公称负荷作用下 静位移(mm) 固有频率(Hz) 传递率 JZS-6.0 6.0 4 <10 <1.8
概述:
JZS金属网双作用减振器由金属安装板、两个金属弹簧、金属网垫、阻尼器等组成的弹性元件。 金属网垫、阻尼器起阻尼作用,两个金属弹簧起双向隔振作用。
应用范围: 广泛应用于无线电仪器、仪表的隔振、缓冲系统中。
技术性能:
型号规格
公称负荷(Kg)
公称负荷作用下
静位移(mm)
固有频率(Hz)
传递率
JZS-6.0
6.0
4
<10
<1.8
电话:0419-2388388 3122433 6888988 地址:辽宁省辽阳市小庄西路82号 辽ICP备05004204号-1