JC衬套减震器
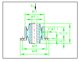
概述: JC衬套减震器由内套、外套、弹性橡胶三部分经整体硫化组成的弹性元件。内套、外套之间通过弹性橡胶连接,起到减振、缓冲作用。 应用范围: 广泛用于无线电仪器、仪表的隔振、缓冲系统中。 结构尺寸:
概述:
JC衬套减震器由内套、外套、弹性橡胶三部分经整体硫化组成的弹性元件。内套、外套之间通过弹性橡胶连接,起到减振、缓冲作用。
应用范围: 广泛用于无线电仪器、仪表的隔振、缓冲系统中。
结构尺寸:
技术性能:
型号
规格
Z向公称负荷(Kg)
Z向公称负荷下静位移 (mm)
Z向公称负荷时固有频率(Hz)
阻尼比C/Cc
重量(Kg)
JC-2
2
1.4±0.2
16
0.1
0.087
JC-3
3
14
JC-150
150
1.9±0.6
13
0.05
0.095
电话:0419-2388388 3122433 6888988 地址:辽宁省辽阳市小庄西路82号 辽ICP备05004204号-1